YZOL系列振動電機產品概述:
YZOL系列立式振動電機是我公司新型立式振動電機產品,采用先進的單法蘭結構,設計精巧,運行可靠,單法蘭結構使得立式振動電機安裝維護方便,同時可大大減輕主機重量,減小主機外形尺寸、簡化主機結構、降低主機成本,使得主機對物料的處理量更大。立式振動電機主要應用于旋振篩、旋振清理機、振動破碎機、振動混料機等設備,用來產生圓形或橢圓形復合振動,用以提高篩分效率和篩分精度,完成清理零件表面質量,提高破碎或混料效果。
YZOL系列振動電機主要特點:
1.噪音低、能耗低、效率高。
2.體積小、重量輕、啟動迅速。
3.安裝便捷、維護簡單、壽命長。
4.激振力易于無級調整且調節范圍廣、振動無機械傳導。
YZOL型振動電機工作原理:
YZOL型振動電機是動力源與振動源結合為一體的激振源,振動電機是在轉子軸兩端各安裝一組可調偏心塊,利用軸及偏心塊高速旋轉產生的離心力激振力。由電機本身運行產生易于調整的水平、垂直、傾斜等方向多元激振力,形成物料的快速平面分散、聚集、平面旋轉、三維旋轉等多種運動方式,用于控制排料速度、處理精度等機械性能指標,以其獨特的結構特點適應于不同的機械對振動源的要求。
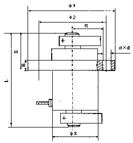
YZOL系列振動電機技術參數:

序號 | 型號 | 激振力(KN) | 功率(KW) | 電流(A) | 主要結構尺寸(mm) | A | 重量 | ||||||
L | Φ | D | H | h | h1 | (kg) | |||||||
1 | YZOL-5-4 | 5 | 0.4 | 1.15 | 375 | 270 | 224 | 172 | 15 | 15 | 30° | 40 | |
2 | YZOL-16-4 | 16 | 1.5 | 4.1 | 437 | 368 | 227 | 227 | 16 | 16 | 120 | ||
3 | YZOL-30-4 | 30 | 2.5 | 5.75 | 516 | 443 | 383 | 280 | 20 | 20 | 160 | ||
4 | YZOL-50-4 | 50 | 3.7 | 7.4 | 561 | 480 | 381 | 288 | 34 | 30 | 170 | ||
5 | YZOL-75-4 | 75 | 5.5 | 11 | 708 | 550 | 490 | 436 | 30 | 30 | 278 | ||
6 | YZOL-30-4 | 30 | 2.5 | 5.75 | 510 | 400 | 373 | 288 | 30 | 25 | 150 | ||
7 | YZOL-50-4 | 50 | 3.7 | 7.4 | 551 | 481 | 431 | 288 | 34 | 30 | 256 | ||
8 | YZOL-75-4 | 75 | 5.5 | 11 | 640 | 520 | 475 | 384 | 40 | 34 | 330 | ||
9 | YZOL-100-4 | 100 | 7.5 | 15 | 660 | 620 | 544 | 430 | 50 | 40 | 635 | ||